Follow | Collection | 中文网站
Notice: Nanjing NR drum closure plant
南京宁容钢桶封闭器厂-桶口件-桶盖-closure
新品展示
新闻中心
行业新闻
企业新闻
钢桶知识
钢桶标准
联系我们

  南京宁容钢桶封闭器厂
 
  联系人:张承志
  
  手机:13705191585 
 
  电话:025-86130666
 
  传真:025-86131879
 
  邮箱:njzrjt@126.com 
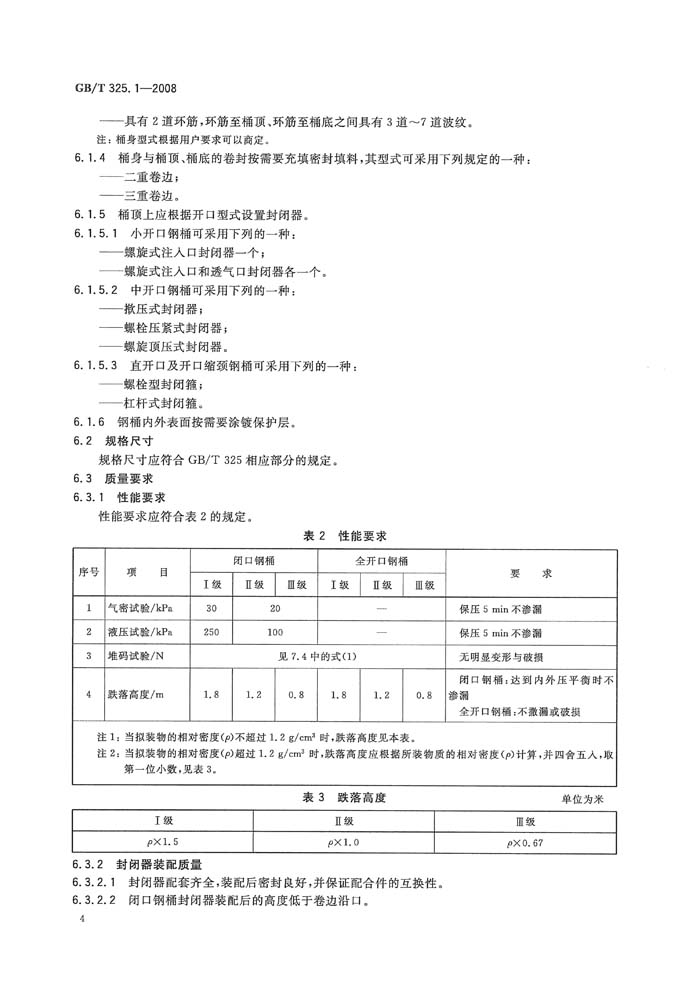
钢桶标准

 

 
 

GB/T 325.1-2008 包装容器 钢桶 第1部分:通用技术要求(3)

 
Copyright:Nanjing NR Drum closure plant  http://www.nrclosure.com  Keep on record:苏ICP备10205901号
 Address:No.168 North JinGu Road,Guli Town,Nanjing City, PR China. Phone:+86-25-86130666.  Fax:+86-25-86131879 E-mail:njzrjt@126.com