设为首页 | 加入收藏 | ENGLISH
本站公告: 南京宁容,真诚永恒!
南京宁容钢桶封闭器厂-桶口件-桶盖-closure
新品展示
新闻中心
行业新闻
企业新闻
钢桶知识
钢桶标准
联系我们

  南京宁容钢桶封闭器厂
 
  联系人:张承志
  
  手机:13705191585 
 
  电话:025-86130666
 
  传真:025-86131879
 
  邮箱:njzrjt@126.com 
钢桶标准

 

 
 

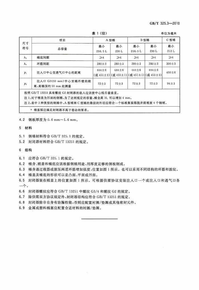
GB/T 325.3-2010 包装容器 钢桶 第3部分:最小总容量212L、2116.5L和230L闭口钢桶(3)

 

版权所有:南京宁容钢桶封闭器厂  http://www.nrclosure.com  备案号:苏ICP备10205901号
 地址:南京中华门外谷里镇金谷北街168号 电话:025-86130666  传真:025-86131879 电邮:njzrjt@126.com